ネジの口径は ねじ山も含めるのか



ネジサイズの測り方 ピッチゲージとノギス使用 Alumania Information

ネジサイズの測り方 ピッチゲージとノギス使用 Alumania Information

ねじ山数やねじ長さなどの規格を教えて欲しい Rex レッキス工業株式会社

ねじ山数やねじ長さなどの規格を教えて欲しい Rex レッキス工業株式会社

ねじのギザギザ 山と谷 の先端は完全な鋭角ではない Alumania Information

ねじのギザギザ 山と谷 の先端は完全な鋭角ではない Alumania Information

ネジの種類まとめ 規格や形状 使う用途の違いを解説 使い分けのコツとは 暮らし の

ネジの種類まとめ 規格や形状 使う用途の違いを解説 使い分けのコツとは 暮らし の

ねじのサイズ呼び方について Nejiya Jp

ねじのサイズ呼び方について Nejiya Jp

ネジサイズの測り方 ピッチゲージとノギス使用 Alumania Information

ネジサイズの測り方 ピッチゲージとノギス使用 Alumania Information

ネジサイズの測り方 ピッチゲージとノギス使用 Alumania Information

タップ加工時の下穴径早見表と深さの計算方法 Alumania Information

タップ加工時の下穴径早見表と深さの計算方法 Alumania Information

メートルねじの呼びに対する基準寸法jis規格とリード角一覧表

メートルねじの呼びに対する基準寸法jis規格とリード角一覧表

やさしい実践 機械設計講座

やさしい実践 機械設計講座

やさしい実践 機械設計講座

やさしい実践 機械設計講座

ネジやボルトの必要最低長さ計算方法 Alumania Information

ネジやボルトの必要最低長さ計算方法 Alumania Information

ねじの基本 ネジのオンラインショップ山崎

ねじの基本 ネジのオンラインショップ山崎

Https Www Osg Co Jp Media Dl Technical File T 5 Pdf

Https Www Osg Co Jp Media Dl Technical File T 5 Pdf

ナットを締結した時 どうしてねじ山を3山以上出す方が良いのか ボルトエンジニア

ナットを締結した時 どうしてねじ山を3山以上出す方が良いのか ボルトエンジニア

技術計算製作所 ねじ設計計算 機械設計に必要な情報とwebアプリ ソフトウエアを公開しています Webapp Mech Calc Thread Explain

技術計算製作所 ねじ設計計算 機械設計に必要な情報とwebアプリ ソフトウエアを公開しています Webapp Mech Calc Thread Explain

やさしい実践 機械設計講座

やさしい実践 機械設計講座

ねじのはめあい長さについて 何山かかっていればよいか

ねじのはめあい長さについて 何山かかっていればよいか

ねじ Wikipedia

ねじ Wikipedia

ねじ部品の加工及び形状

ねじ部品の加工及び形状

ねじの基本 ねじの部位 名称 寸法について知ろう ブログ ねじからねじ締め機 計測 検査装置まで 日東精工株式会社

ねじの基本 ねじの部位 名称 寸法について知ろう ブログ ねじからねじ締め機 計測 検査装置まで 日東精工株式会社

やさしい実践 機械設計講座

やさしい実践 機械設計講座

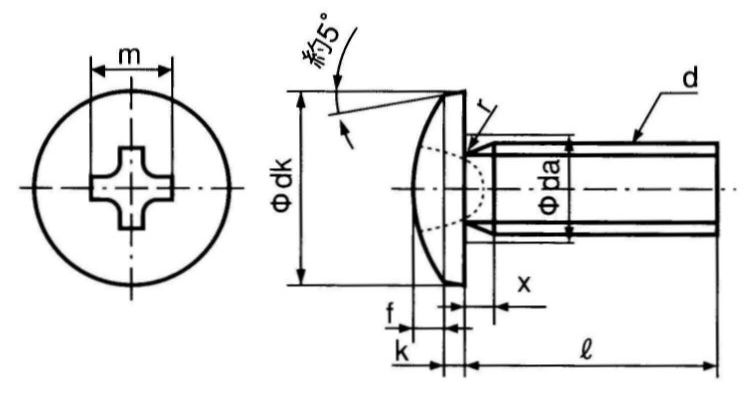
仕様書 ネジのオンラインショップ山崎

仕様書 ネジのオンラインショップ山崎

メートルねじの呼びに対する基準寸法jis規格とリード角一覧表

メートルねじの呼びに対する基準寸法jis規格とリード角一覧表

ボルトナットの基本 知乎

ボルトナットの基本 知乎

Source : pinterest.com